• 粉色视频在线观看,91粉色视频,粉色污视频,粉色导航APP入口污

    联系粉色视频在线观看

    聚丙烯立式、卧式贮罐

      聚丙烯立式、卧式贮罐

      一、概述

      聚丙烯立式、卧式贮罐用于储存液体或气体的钢制密封容器即为储罐,储罐工程是石油、化工、粮油、食品、消防、交通、冶金、国防等行业必不可少的、重要的基础设施。具有无焊接缝、不渗漏、无毒性、重量轻、抗老化、抗冲击、耐腐蚀、寿命长、符合卫生标准等优点,聚丙烯储罐用以存放酸、醇、气体等提炼的化学物质。


      二、产品规格 ?

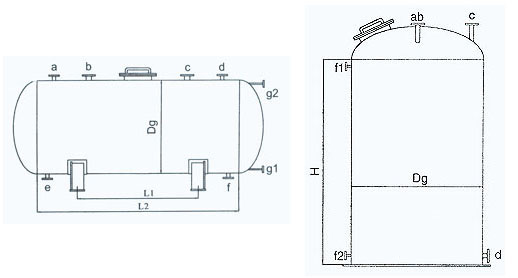
      1、卧式系列贮罐示意图表


      2、立式贮罐系列图表



    tags:聚丙烯立式、卧式贮罐厂家,聚丙烯立式、卧式贮罐价格
    点击次数:   更新时间:20/06/30 14:59:06   【打印此页】   【关闭【返回上一页】
    联系粉色视频在线观看

    contact us

    淄博粉色视频在线观看防腐91粉色视频有限公司

    138-0533-5585

    联系人:孙总

    淄博市张店区南定镇小旦村

    网站地图